Specials
Aussergewöhnliche Projekte mit besonderem Schwierigkeitsgrad oder besonderen Bauweisen
Villa Ludwigshöhe - Netzkuppel Innenhof
Prüfung und Überwachung
Tragwerksplaner: Drewes und Speth, Hannover
Prof. Dr.-Ing. Martin Speth
Bauherr: Land RP, vertr. durch LBB NL Landau
Planungsstand:
geprüft und freigegeben, Gründung ausgeführt, Ausführung Dach offen
Architektur: PAX Brüning Architekten, Hannover
Link zur Wettbewerbspräsentation
https://www.baunetz-architekten.de/pax-bruening-architekten/31337/projekt/171049
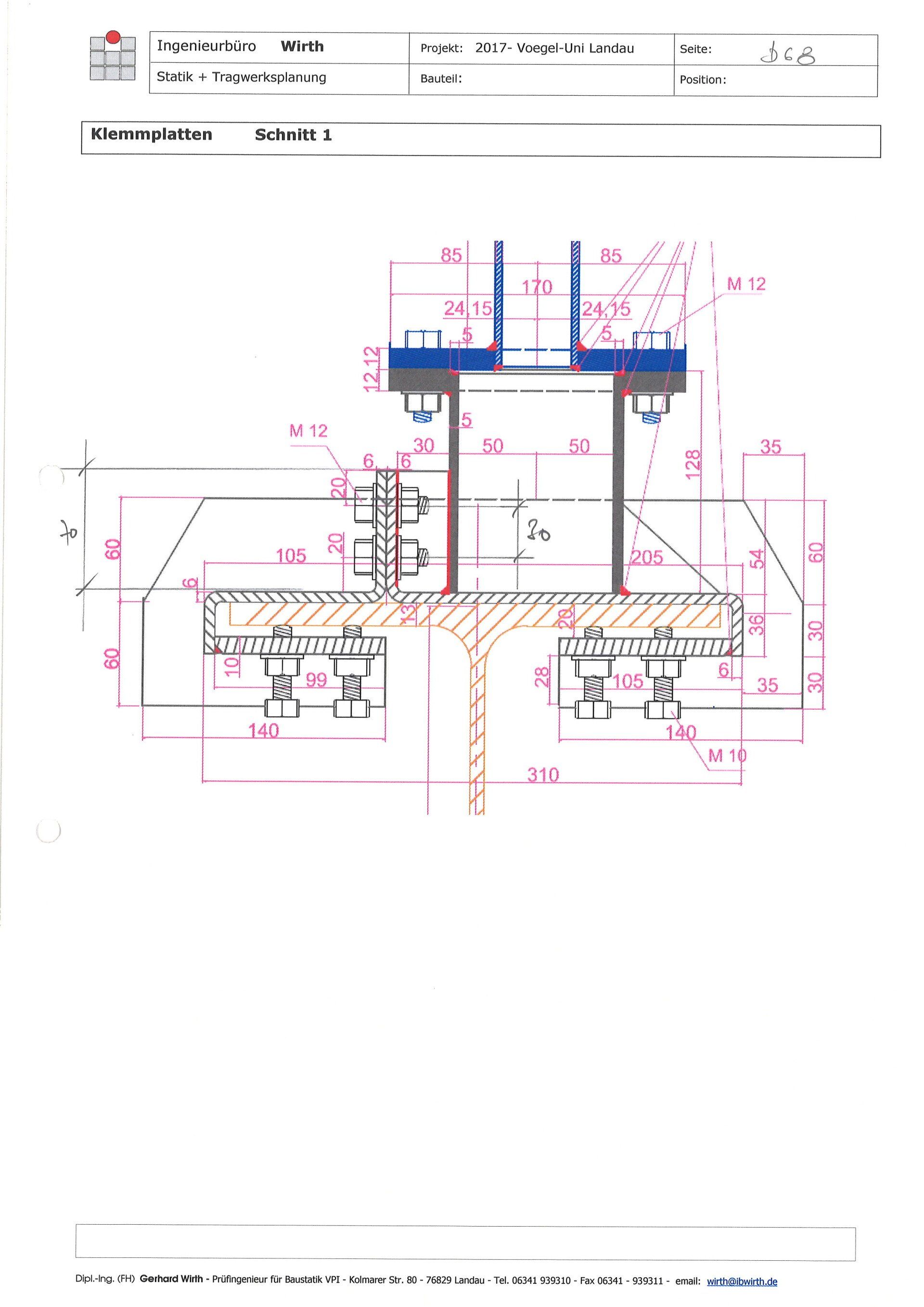
9 Bunte Vögel - Kunst am Bau - Uni Landau
Auf dem Trägerrost zwischen den Institutsgebäuden I und K wurde anstelle einer PV Anlage eine Kunstinstalation aus Bunten Vögeln montiert
Die Standsicherheit insbesondere der Klemmkonstruktion war nachzuweisen.
Tragwerksplanung - Montagebegleitung
Bauherr: Land RP vertr. durch LBB NL Landau
Künstler: Atelier Gerd Friedrich, Obergasse 12, Lonsheim
Burgruine Hardenburg - Rondell
Neugestaltung Eingangsbereich
Prüfung und Bauüberwachung, Sonderabnahmen
Tragwerksplaner: Wetzel & von Seth , Hamburg
Dr.-Ing. Markus Wetzel
Bauherr: Land RP, vertr. durch LBB NL Landau
Architekt: Riemann Gesellschaft von Architekten mbH, Lübeck
Präsentationslink Riemann Architekten
https://www.heinze.de/architekturobjekt/schloss-und-festungsruine-hardenburg/12607626/
Neue Hauptorgel der Konstantinbasilika in Trier
Beratung, Prüfung, Bauüberwachung, Sonderabnahmen
Tragwerksplaner: Knippers Helbig, Stuttgart
Dipl.-Ing. Klaus Pfaff
Bauherr: Land RP, vertr. durch LBB NL Trier
Architekt: Auer Weber, Carlo Weber Stuttgart
Werkbericht: Auer Weber Architekten
https://www.auer-weber.de/aktuelles/news/single/eine-ungewoehnliche-bauaufgabe-eine-orgel.html
Brücke über eine Bahnlinie in Deidesheim/Wstr.
Prüfung, Überwachung, Beratung
Schiefwinklige Plattenbrücke auf bestehendem Sandsteinwiderlager, Fertigteile, Montagezustände,
Bauherr: VBG Deidesheim
Tragwerksplaner: IB Pfaffmann, Niederkirchen
Objektplaner / Architekt: IB Pfaffmann, Niederkirchen
Hafen Speyer - Steiger auf Stahlrammpfählen
Prüfung und Überwachung
Bauherr: TanQuid
Tragwerksplaner:
Bauherr: B
















































